Dvižna vrata Kip Kop - Model KipLift - Motor Pax2

kip2.PNG  kip3.PNG

 

Pred vsakim posegom v motor ali elektroniko garažnih vrat, nujno izključite električno napetost!! 

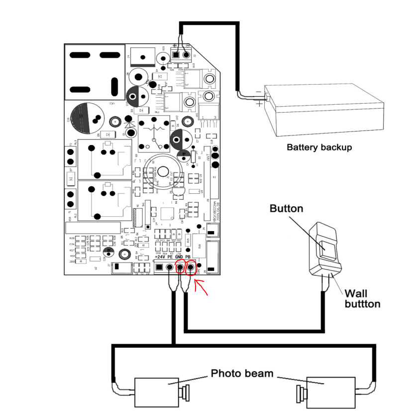
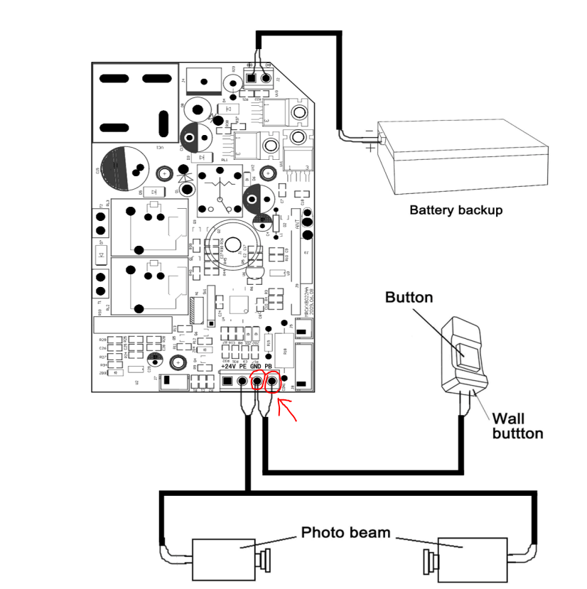
Priklop modula za vrata se ozvede direktno na motorju po spodnji shemi:

kip1.PNG

 

Družba FireApp, informacijske storitve, d.o.o. ne odgovarja za morebitne poškodbe strojne opreme v lasti naročnika, ki so bile povzročene s strani naročnikovih predstavnikov!

 

Pomembna informacija glede delovanja modula za vrata: Ob intervenciji sistem preko modula za odpiranje vrat pošlje samo EN (1) signal, ko prvi uporabnik, ki je dal odgovor pridem in ima aktiven GPS, doseže zbirno mesto. V kolikor imate modul za odpiranje vrat priklopljen na tak model vrat, ki z eno tipko omogoča odpiranje in zapiranje le teh, se bodo v primeru odprtih vrat v le ta ZAPRLA, saj sistem ne ve v kakšni poziciji so vrata v tistem trenutku. Pri uporabi modula za vrata zato svetujemo uporabo svetlobnih varnostnih senzorjev, ki preprečijo zapiranje v primeru, da je v tistem trenutku nekaj v vratih (vozila, osebe,...). Družba FireApp, informacijske storitve, d.o.o. zaradi navedenega dejstva ne more odgovarjati za morebitne poškodbe strojne opreme.